- Технические характеристики и другая информация предоставляются для справки.
 - Чертежи и изображения представлены для ознакомления
 
Подшипник шариковый закрепляемый RAE 50-NPP-B
Подшипник шариковый закрепляемый RAE50-NPP-B его строение включает в себя наружную шину, тела качения, сепаратор из штампованной стали, латуни или полиамида, центрирующийся по шарикам либо бортикам внешнего кольца. Устройство является неразборным и полностью готово к монтажу. Существуют также обслуживаемые и необслуживаемые варианты (в первом случае в корпусе детали имеется специальное смазочное отверстие, через которое происходит подача смазки, расходуемой в процессе работы). Закрытые модели дополнительно усилены уплотняющими шайбами или уплотнениями и не требуют обслуживания. В изделии также могут присутствовать узкие, широкие и средние зазоры.
Каковы характерные особенности Подшипник шариковый закрепляемый RAE50-NPP-B?
- Рассчитан на восприятие серьезных аксиальных и незначительных осевых нагрузок.
 - Обладает низким коэффициентом трения, за счет чего возможно вращение на максимально допустимых скоростях и более длительный срок эксплуатации в сравнении с аналогами.
 - Отличается высокой грузоподъемностью и склонностью к самоцентрированию, что дает возможность выравнивать перекосы во время монтажа.
 
Приобретайте выгодно Подшипник шариковый закрепляемый RAE50-NPP-B ГОСТ или его (аналоги ISO), а также иную продукцию от мировых промышленных брендов FAG, KOYO, NSK, SKF, SNR на нашем веб-сайте!
Технические характеристики
Обозначение : RAE50-NPP-B
Размеры, мм : 50x90x43.8
Производитель : INA
Диаметр внутренний, мм : 50
Диаметр наружный, мм : 90
Высота, мм : 43,8
Технические данные из каталога производителя :
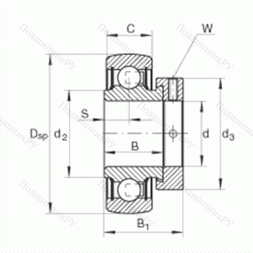
d - 50 mm
DSP - 90 mm
B1 - 43,8 mm
B - 30,2 mm
C - 22 mm
d2 - 59,4 mm
d3 max - 69 mm
S - 11 mm
W - 5 mm
m - 0,77 kg / Вес
Cr - 37500 N / динамическая грузоподъемность, радиальная
C0r - 23200 N / статическая грузоподъемность, радиальная
- 6210 / Референсные подшипники для определения эквивалентных нагрузок.
сферическое наружное кольцо, фиксация эксцентриковым закрепительным кольцом, двусторонние P-уплотнения
| 
																														 
																Производитель
															 
														 | 
														INA | 
| 
																														 
																Ширина B
															 
														 | 
														43 | 
| 
																														 
																Внешний диаметр D
															 
														 | 
														90 | 
| 
																														 
																Внутренний диаметр d
															 
														 | 
														50 | 
| 
																														 
																Размер
															 
														 | 
														50x90x43 | 
| 
																														 
																Вес, кг
															 
														 | 
														0.77 | 
| 
																														 
																Модель
															 
														 | 
														RAE50-NPP-B-INA | 
| 
																														 
																SKU
															 
														 | 
														RAE50-NPP-B-INA | 
Похожие по размеру
Оформить заказ на нашем сайте легко. Просто добавьте выбранные товары в корзину, а затем перейдите на страницу Корзина, проверьте правильность заказанных позиций и нажмите кнопку «Оформить заказ» или «Быстрый заказ».
Функция «Быстрый заказ» позволяет покупателю не проходить всю процедуру оформления заказа самостоятельно. Вы заполняете форму, и через короткое время вам перезвонит менеджер магазина. Он уточнит все условия заказа, ответит на вопросы, касающиеся качества товара, его особенностей. А также подскажет о вариантах оплаты и доставки.
По результатам звонка, пользователь либо, получив уточнения, самостоятельно оформляет заказ, укомплектовав его необходимыми позициями, либо соглашается на оформление в том виде, в котором есть сейчас. Получает подтверждение на почту или на мобильный телефон и ждёт доставки.
Если вы уверены в выборе, то можете самостоятельно оформить заказ, заполнив по этапам всю форму.
Выберите из списка название вашего региона и населённого пункта. Если вы не нашли свой населённый пункт в списке, выберите значение «Другое местоположение» и впишите название своего населённого пункта в графу «Город». Введите правильный индекс.
	 В зависимости от места жительства вам предложат варианты доставки. Выберите любой удобный способ. 
	
	Оплата
Выберите оптимальный способ оплаты.
Введите данные о себе: ФИО, адрес доставки, номер телефона. В поле «Комментарии к заказу» введите сведения, которые могут пригодиться курьеру, например: подъезды в доме считаются справа налево.
Проверьте правильность ввода информации: позиции заказа, выбор местоположения, данные о покупателе. Нажмите кнопку «Оформить заказ».
Наш сервис запоминает данные о пользователе, информацию о заказе и в следующий раз предложит вам повторить к вводу данные предыдущего заказа. Если условия вам не подходят, выбирайте другие варианты.
