- Технические характеристики и другая информация предоставляются для справки.
- Чертежи и изображения представлены для ознакомления
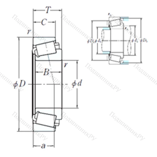
Подшипник роликовый радиальный L 432349/L 432310
Подшипник роликовый радиальный L432349/L432310 состоит из внешнего кольца, выполненного в виде вогнутой сферы и имеющего дорожку качения на внутренней части, двух рядов тел качения и сепаратора из штампованной стали (для работы при высоких температурах или общих условий эксплуатации), латуни (для противостояния усиленным вибрациям) или полимерных материалов. Существуют базовые открытые варианты с коническими или цилиндрическими посадочными гнездами (обслуживаемые) и закрытые модели с одним/двумя синтетическими каучуковыми уплотнениями (необслуживаемые), предназначенные для работы при температуре от -40С до +100С. Также производятся детали с утолщенной внутренней обоймой.
В чем преимущества Подшипник роликовый радиальный L432349/L432310?
- Отличается повышенной грузоподъемностью и может воспринимать высокие аксиальнонаправленные нагрузки при высоких скоростях вращения оси.
- Самоцентрируется в процессе установки, благодаря чему компенсируются перекосы вала, несоосность и прочие огрехи монтажа.
- Двухрядный ширикоподшипник отвечает стандартам качества ИСО и ГОСТ.
Сегодня вы можете приобрести онлайн по удачной цене Подшипник роликовый радиальный L432349/L432310 ГОСТ или его (аналоги ISO) производства FAG, KOYO, NSK, SKF, SNR в нашем магазине!
Технические характеристики
Обозначение : L432349/L432310
Размеры, мм : 158.75x205.583x23.812
Производитель : NSK
Диаметр внутренний, мм : 158,75
Диаметр наружный, мм : 205,583
Высота, мм : 23,812
Технические данные из каталога производителя :
Внутренний диаметр (d) - 158,75 мм.
Наружный диаметр (D) - 205,583 мм.
Ширина рабочая (T) - 23,812 мм.
Ширина (высота) (B) - 23,812 мм.
Ширина наружной обоймы (C) - 18,258 мм.
Радиус внутренней фаски (R) - 1,5 мм.
Радиус наружней фаски (r) - 1,5 мм.
Размер (a) - 33,9 мм.
Размер сопряженных деталей (Da) - 195
Размер сопряженных деталей (db) - 167
Размер сопряженных деталей (da) - 173
Размер сопряженных деталей (Db) - 200
Масса - 1,99 Кг
Грузоподъемность динамическая (C) - 127 кН
Грузоподъемность статическая (C0) - 249 кН
Расчетный коэффициент (e) - 0,39
Расчетный коэффициент (Y0) - 0,84
Расчетный коэффициент (Y1) - 1,5
Количество дорожек качения - 1
Уплотнение - Нет
| 
																Производитель
															 | NSK | 
| 
																Ширина B
															 | 23 | 
| 
																Внешний диаметр D
															 | 205 | 
| 
																Внутренний диаметр d
															 | 158 | 
| 
																Размер
															 | 158x205x23 | 
| 
																Вес, кг
															 | 1.99 | 
| 
																Модель
															 | L432349-L432310-NSK | 
| 
																SKU
															 | L432349-L432310-NSK | 
Похожие по размеру
Оформить заказ на нашем сайте легко. Просто добавьте выбранные товары в корзину, а затем перейдите на страницу Корзина, проверьте правильность заказанных позиций и нажмите кнопку «Оформить заказ» или «Быстрый заказ».
Функция «Быстрый заказ» позволяет покупателю не проходить всю процедуру оформления заказа самостоятельно. Вы заполняете форму, и через короткое время вам перезвонит менеджер магазина. Он уточнит все условия заказа, ответит на вопросы, касающиеся качества товара, его особенностей. А также подскажет о вариантах оплаты и доставки.
По результатам звонка, пользователь либо, получив уточнения, самостоятельно оформляет заказ, укомплектовав его необходимыми позициями, либо соглашается на оформление в том виде, в котором есть сейчас. Получает подтверждение на почту или на мобильный телефон и ждёт доставки.
Если вы уверены в выборе, то можете самостоятельно оформить заказ, заполнив по этапам всю форму.
Выберите из списка название вашего региона и населённого пункта. Если вы не нашли свой населённый пункт в списке, выберите значение «Другое местоположение» и впишите название своего населённого пункта в графу «Город». Введите правильный индекс.
	 В зависимости от места жительства вам предложат варианты доставки. Выберите любой удобный способ. 
	
	Оплата
Выберите оптимальный способ оплаты.
Введите данные о себе: ФИО, адрес доставки, номер телефона. В поле «Комментарии к заказу» введите сведения, которые могут пригодиться курьеру, например: подъезды в доме считаются справа налево.
Проверьте правильность ввода информации: позиции заказа, выбор местоположения, данные о покупателе. Нажмите кнопку «Оформить заказ».
Наш сервис запоминает данные о пользователе, информацию о заказе и в следующий раз предложит вам повторить к вводу данные предыдущего заказа. Если условия вам не подходят, выбирайте другие варианты.

 
                                            
                                        
