- Технические характеристики и другая информация предоставляются для справки.
- Чертежи и изображения представлены для ознакомления
Подшипник с перекрестными роликами SX 011814 70x90x10 INA
Внимание: для уточнения актуальной цены, наличия и условий поставки рекомендуем обратиться к менеджеру отдела продаж. Отгрузка отдельных позиций может занимать от 2 рабочих дней, так как товары находятся на разных складах на территории РФ.
Условия заказа и доставки
- Продажи осуществляются только юридическим лицам
- Самовывоз доступен по адресу: Москва, ул. Промышленная 11 стр. 2, помещение 9
- Доставка по Москве: курьерская служба Достависта
- Для небольших подшипников действует минимальная партия
- Счета выставляются от 5000 руб.
Технические характеристики
Обозначение : SX011814
Размеры, мм : 70x90x10
Производитель : INA
Диаметр внутренний, мм : 70
Диаметр наружный, мм : 90
Высота, мм : 10
Технические данные из каталога производителя :
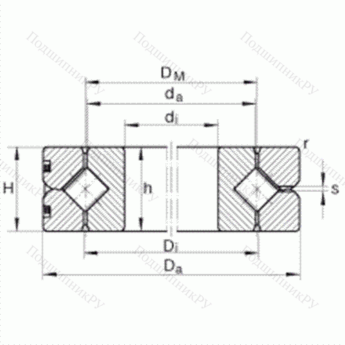
di - 70 mm / Допуск: K6+0,004 / -0,015
Da - 90 mm / Допуск: h6 -0,022
H - 10 mm / монтажная высота подшипниковДопуск: +/-0,10
Di - 80,5 mm
DM - 80 mm
da - 79,5 mm
h - 10 mm / высота отдельного кольцаДопуск: E8 -0,01
rmin - 0,6 mm
S - 1,2 mm / Смазочное отверстие: 3 отверстия равномерно распределены по окружности
m - 0,3 kg / Вес
- 0,010 mm / точность радиальная
- 0,010 mm / точность осевая
sr min - 0,003 mm / мин. радиальный зазор в подшипнике
sr max - 0,015 mm / макс. радиальный зазор в подшипнике
sk min - 0,006 mm / мин. осевой зазор по опрокидывающему моменту
sk max - 0,03 mm / макс. осевой зазор по опрокидывающему моменту
RLOmax - 0,003 mm / с уменьшенным зазором: радиальный зазор
RLOmax - 0,006 mm / с уменьшенным зазором: предварительный натяг
VSPmin - 0,003 mm / мин. предварительный натяг в подшипнике
VSPmax - 0,015 mm / макс. предварительный натяг в подшипнике
Ca - 15400 N / динамическая грузоподъемность, осевая
C0a - 51000 N / статическая грузоподъемность, осевая
Cr - 11000 N / динамическая грузоподъемность, радиальная(при исключительно радиальной нагрузке)
C0r - 20400 N / статическая грузоподъемность, радиальная(при исключительно радиальной нагрузке)
nG Ol - 1910 1/min / предельная частота вращения при смазывании маслом и нормальном зазоре
nG Fett - 955 1/min / предельная частота вращения при консистентной смазке и нормальном зазоре
nG Ol - 955 1/min / предельная частота вращения при смазывании маслом и предварительном натяге
nG Fett - 475 1/min / предельная частота вращения при консистентной смазке
Размерная серия 18 по DIN 616
|
Производитель
|
INA |
|
Ширина B
|
10 |
|
Внешний диаметр D
|
90 |
|
Внутренний диаметр d
|
70 |
|
Размер
|
70x90x10 |
|
Вес, кг
|
0.3 |
|
Модель
|
SX011814-INA |
|
SKU
|
SX011814-INA |
Похожие по размеру
Поставка Подшипник с перекрестными роликами SX 011814 70x90x10 INA и других подшипников и комплектующих осуществляется для юридических лиц по безналичному расчету. Счета выставляются от 5000 руб. Для части малогабаритных подшипников действует минимальная партия заказа.
Вы можете оформить заказ через корзину сайта или отправить заявку в отдел продаж. После получения заявки менеджер проверит наличие, уточнит стоимость, сроки поставки и подготовит счет. Если требуется помощь с подбором подшипников, аналогов или уточнение технических параметров, менеджеры помогут подобрать подходящее решение.
Отгрузка по Москве осуществляется:
- курьерской службой
- самовывозом со склада
В связи с наличием нескольких складов срок отгрузки некоторых позиций может составлять от 2 рабочих дней.
Оплата производится по безналичному расчету на основании выставленного счета. Резервирование товара осуществляется после согласования заказа с менеджером отдела продаж.
Отправить запрос на подбор аналога
Гарантийные обязательства подтверждаются документами производителя и действуют при соблюдении условий хранения, монтажа и эксплуатации.
Что покрывает гарантия
Гарантия распространяется на заводские дефекты материалов и изготовления, несоответствие заявленным техническим характеристикам, а также поставку некомплектного изделия согласно спецификации. Факт дефекта подтверждается актом или заключением производителя либо сервисного центра. Срок гарантии определяется паспортом или каталогом производителя и составляет, как правило, до 12 месяцев с даты приёмки товара по УПД/накладной. По отдельным позициям срок может отличаться - уточняйте у менеджера при оформлении заказа.
Гарантия не распространяется на:
- механические и электрические повреждения, следы ударов и коррозии;
- нарушение условий хранения, монтажа, смазки или эксплуатации;
- следы вскрытия или вмешательства, установку нестандартных запчастей;
- повреждения из-за внешних факторов и форс-мажора.
Как обратиться по гарантии
Направьте письмо на info@podshipnikru.com с темой "Гарантия", укажите номер УПД/счёта, опишите дефект и приложите фото или видео. При необходимости изделие направляется на диагностику. Срок рассмотрения заявки - до 10 рабочих дней с момента получения полного пакета документов. По итогам принимается решение о ремонте, замене или возврате средств.
Возврат товара
Возврат товара надлежащего качества возможен по соглашению сторон при условии, что товар не был в эксплуатации, сохранены товарный вид, пломбы и комплектность. Возврат или обмен необходимо согласовать с менеджером до отправки. Доставка товара до нашего склада при возврате в Москве осуществляется за счёт покупателя - стоимость транспортных расходов не компенсируется. Возвращается стоимость товара согласно документам поставки.
